网站首页
公司简介
产品展示
新闻动态
技术支持
应用案例
留言反馈
人才招聘
联系方式
微信小程序
微信咨询
关闭
联轴器系列
锥套式皮带轮
胀紧联接套系列
高精度齿轮齿条系列
同步轮,同步带系列
扭力限制器,避震脚系列
注塑机伺服电机支架
油泵进出口法兰系列
电机底座系列
电熔胶减速机
SPZ皮带轮
SPA皮带轮
SPB皮带轮
SPC皮带轮
用 户:
@
密 码:
本公司的产品主要应用在化工、纺织、治金、船舶、海洋工程、电力、电子、印刷、汽车制造、医疗器械、采矿、生化制药、食品加工、机械装备等方面。
我司所生产的HB系列的梅花联轴器在2010年3月16日已成为菲仕电机,汇川电机,海天电机,意大利螺杆泵,住友泵,德国艾可勒泵指定联轴器配套商.
[查看原图片]
[返回]
[上一个:电马达避震脚]
[下一个:HD2多节膜片键联接联轴器]
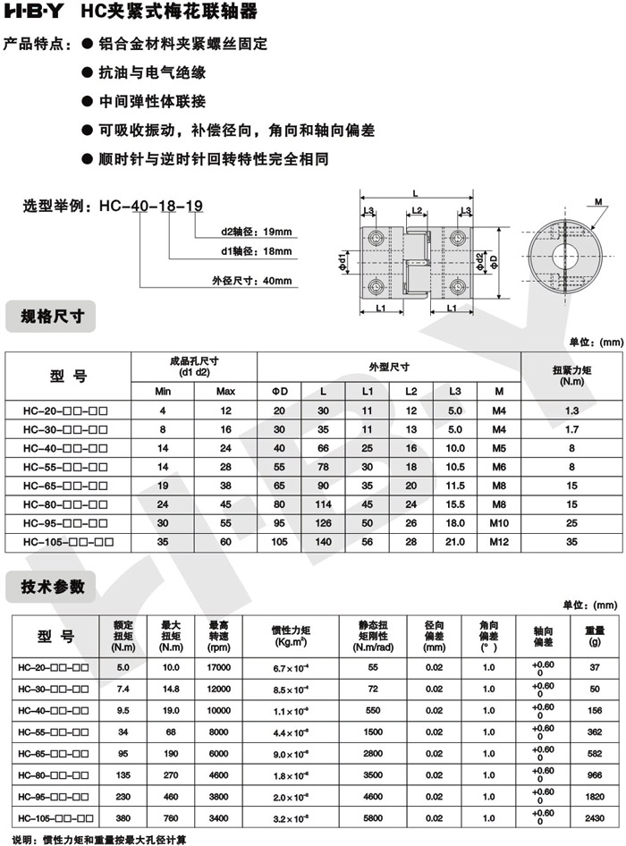
HC夹紧式梅花联轴器
详情说明
东莞市宏博工业传动设备有限公司版权所有@ Copyright 2009
【粤ICP备11018163号】
百度统计
顾客服务中心:0769-87862030 82002650 传真:0769-87862060 访问量:
*本网站中所涉及的图片、文字等资料均属于东莞市宏博工业传动设备有限公司所有,未经许可不得转载*
[
后台管理
]
关闭